米兰网页版 TFF325 法兰式静态扭矩传感器
类型:静态
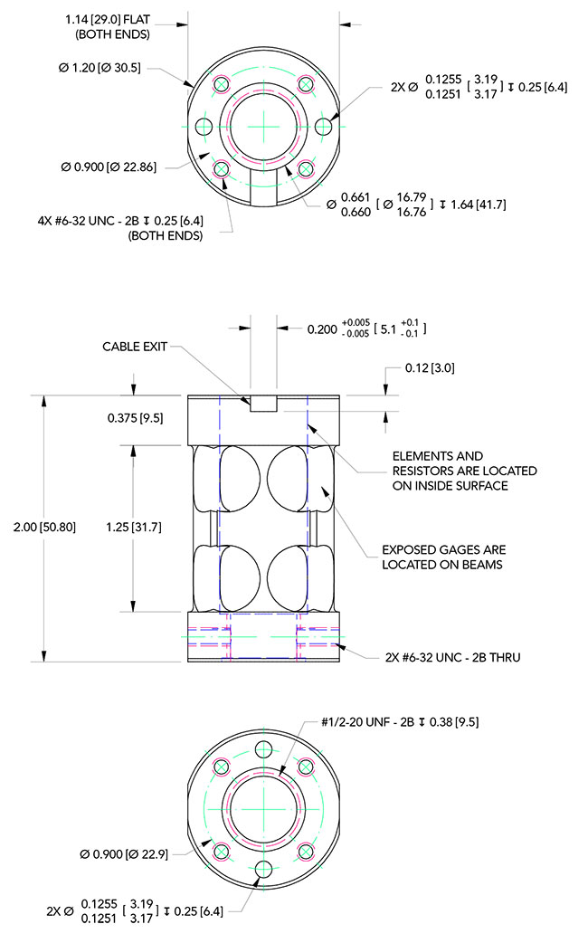
型号:TFF325
行业:雪鞋测试、电阻点焊、软管膨胀压力测量
型号:TFF325
行业:雪鞋测试、电阻点焊、软管膨胀压力测量




| 量程 | 0.14,0.35,1.36,5.65,11.3 N | 
| 非线性 | ±0.2% of RO | 
| 迟滞性 | ±0.2% of RO | 
| 不可重复性 | ±0.05% of RO | 
| 额定输出 | 2 mV/V | 
| 激励 | 18(VDC or VAC) | 
| 桥路电阻 | 1000 Ohm nom | 
| 连接 | # 29 AWG,4导体,螺旋特氟龙电缆,152.4毫米长 | 
| 重量 | 65.2 g | 
| 过载保护 | 150% of RO | 
| 材质 | 铝合金 | 
| 防护等级 | IP00 | 
| 操作温度 | -50 to +93 ℃ | 
| 补偿温度 | 15 to +72 ℃ | 
| 温度漂移零点 | 0.0036% of RO/℃ | 
| 温度漂移范围 | 0.0036% of Load/℃ | 
| 标定电压 | 10 VDC | 




 电话020-85262155
电话020-85262155 邮箱sales@omgl.com.cn
邮箱sales@omgl.com.cn