米兰网页版 MTA500 推力和扭矩多轴力传感器
类型:通用型
型号:MTA500
行业:雪鞋测试、电阻点焊、软管膨胀压力测量
型号:MTA500
行业:雪鞋测试、电阻点焊、软管膨胀压力测量




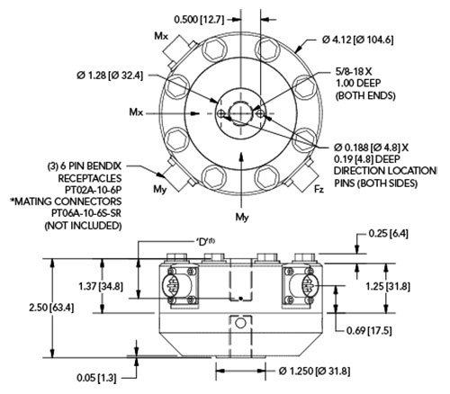
| 量程 | Fz:44482, 111205 N | 
| Mx、My:226, 1129 N | |
| 非线性(Mx, My) | ±0.5% of RO | 
| 非线性(Fz) | ±0.2% of RO | 
| 激励 | 18 | 
| 桥路电阻 | 350 Ohm nom | 
| 绝缘电阻 | ≥500 MOhm @ 50 VDC | 
| 电缆 | (3)6针 BENDIX 插座(PT02E-10-6P) | 
| 重量 | 9.3 kg | 
| 过载保护 | 150% of RO | 
| 材质 | 17-4 PH 锈钢 | 
| 防护等级 | IP65 | 
| 操作温度 | -54 to +93 ℃ | 




 电话020-85262155
电话020-85262155 邮箱sales@omgl.com.cn
邮箱sales@omgl.com.cn