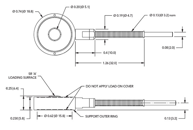
米兰网页版 LLB300 微型力传感器
类型:微型
型号:LLB300
行业:雪鞋测试、电阻点焊、软管膨胀压力测量
型号:LLB300
行业:雪鞋测试、电阻点焊、软管膨胀压力测量




| 量程 | 111,222,445,1112,2224,4448 N | 
| 非线性 | ±0.2% of RO | 
| 迟滞性 | ±0.2% of RO | 
| 不可重复性 | ±0.1% of RO | 
| 额定输出 | 2 mV/V | 
| 激励 | 18(VDC or VAC) | 
| 桥路电阻 | 700 Ohm nom | 
| 绝缘电阻 | ≥500 MOhm @ 50 VDC | 
| 电缆 | #29 AWG 4芯屏蔽电缆,3米长 | 
| 重量 | 34 g | 
| 过载保护 | 150% of RO | 
| 材质 | 不锈钢 | 
| 防护等级 | IP64 | 
| 操作温度 | -50 to +121 ℃ | 
| 补偿温度 | 15 to +121 ℃ | 
| 温度漂移零点 | 0.018% of RO/℃ | 
| 温度漂移范围 | 0.036% of Load/℃ | 
| 标定电压 | 10 VDC | 




 电话020-85262155
电话020-85262155 邮箱sales@omgl.com.cn
邮箱sales@omgl.com.cn