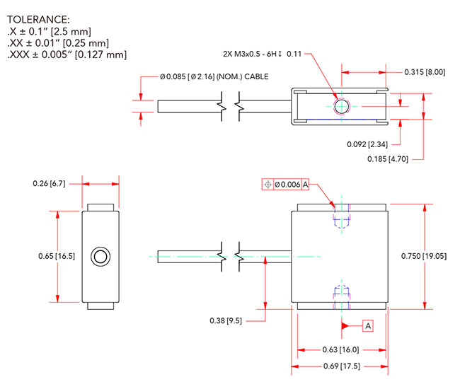
米兰网页版 LSB200 微型力传感器
类型:微型
型号:LSB200
行业:注射机器人的力度控制、触屏和按键测试、医用导丝测试、USB插拔机动测试、握紧力测试、机器腿康复设备、医药阀传感器:TAVR疲劳测试、汽车触摸屏反馈、流体速度截流测量、真空兼容力传感器、非磁性传感器解决方案、机器人测力应用、注射测试台架、OEM注射测试台架
型号:LSB200
行业:注射机器人的力度控制、触屏和按键测试、医用导丝测试、USB插拔机动测试、握紧力测试、机器腿康复设备、医药阀传感器:TAVR疲劳测试、汽车触摸屏反馈、流体速度截流测量、真空兼容力传感器、非磁性传感器解决方案、机器人测力应用、注射测试台架、OEM注射测试台架

 订单采购
订单采购







 
 
 
 
 
 
 
 
 
 
 电话
电话 邮箱
邮箱